技术支持
技术文章
S7-1500与MR20一体式IO在博途V18的组态过程
MR20一体式IO是一个高度灵活的一体式I/O 系统,具有众多优点(见下图),本文主要演示MR20-PN-1616与西门子S7-1500控制器连接的演示过程
|
序号 |
名称 |
订货号 |
数量 |
品牌 |
备注 |
|
1 |
32点一体式IO |
MR20-PN-1616 |
1 |
明达 |
|
|
2 |
GSD文件 |
|
1 |
明达 |
官网下载 |
|
3 |
CPU 1511-1 PN |
6ES7 511-1AK02-0AB0 |
1 |
西门子 |
|
|
4 |
组态软件 |
TIA Portal V18 |
1 |
西门子 |
|
|
5 |
开关电源 |
NDR-120-24 |
1 |
明纬 |
|

组态步骤:
连接S7-1500和MR20-PN-1616
接通控制电源
安装GSD文件
在TIA Portal V18中组态
将组态下载到控制器
检查LED指示灯
测试输入输出信号
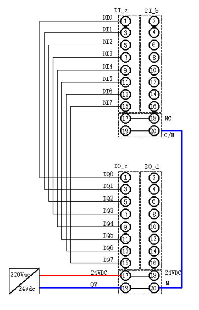
MR20-PN-1616接线图如下,我们通过控制开关量输出点,查看开关量输入点信号是否正常
在 TIA Portal V18安装GSD文件
点击菜单栏→选项→管理通用站描述文件(GSD)

3、点击浏览,找到GSD文件存储目录, 选择对应的GSD文件夹,点击打开,勾选需要的GSD文件后点击安装。


4、设置PG/PC接口
打开控制面板(小图标显示)→设置PG/PC接口→选择S70NLINE(STEP7)→选择对应的物理网卡,如下图所示

5、添加硬件组态(增加CPU1511此处省略)
切换至网络视图,在硬件目录中按以下路径展开:Tther field devices→PROFINET IO→I/O→MINDTECH→PROFINET→MR20,将对应的产品拖放至网络视图中,此处我们以MR20-PN-1616为例。

6、设置IP地址,分配设备名称
点击MR20-PN-1616的未分配,将其分配给PLC_1.PROFINET接口_1,并设置CPU和MR20-PN-1616的IP地址。

右键网络,点击分配设备名称

在PROFINET设备名称处选择对应的产品,设备过滤器可根据需求进行选择,点击更新列表,选中对应的设备,点击分配名称即可完成设备名称分配。

7.建立监控表
打开硬件组态,找到MR20-PN-1616,点击设备概览,可以在I地址、Q地址处根据需要调整地址,此处我们以默认地址进行演示。

8.下载程序
选中CPU,点击下载按钮,点击搜索,选择CPU后,点击下载,如下图所示。

打开监控表,通过控制开关量输出点为的状态,查看开关量输出点的状态变化是否也输出点一致,即可判断测试是否正常,如下图所示:
