MR30分布式IO在新能源领域加氢站的应用
氢能被誉为21世纪最具发展潜力的清洁能源,氢能科技创新和产业发展持续得到各国青睐。氢能低碳环保,燃烧的产物只有水,是用能终端实现绿色低碳转型的重要载体。氢能产业链分别为上游制氢、中游储运以及下游用氢。上游制氢工艺目前大部分还是通过化石能源作为原料制取的“灰氢”,但随着清洁能源发电规模的提高以及技术的进步,通过电解水制取的“绿氢”将是未来主流的工艺方式。氢的储运根据使用场景的不同形成以长管拖车为主,液氢槽罐车、管道运输为辅的多元化运输体系。下游最主要的应用领域是氢能源汽车以及与之配套的加氢站等基础设施,目前还处于快速发展阶段。


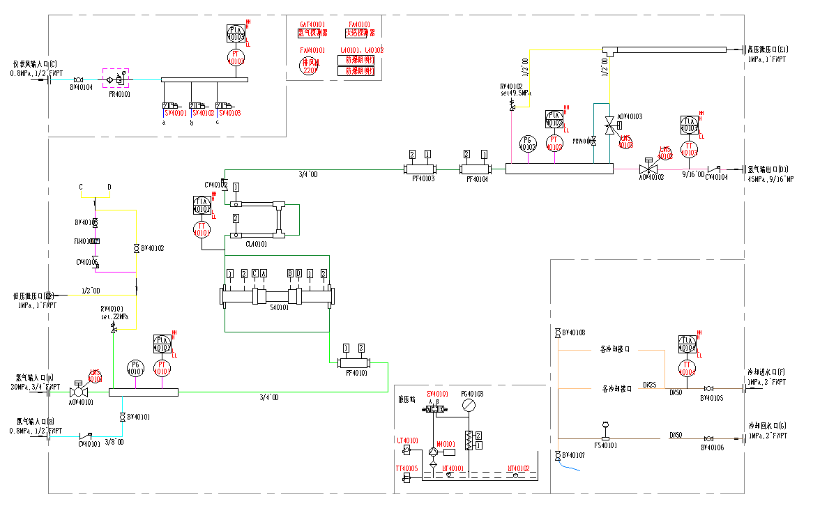
氢气供应:氢气可以通过多种方式获得,包括但不限于电解水、天然气重整等。对于加氢站来说,氢气通常通过罐车从生产地运输过来,或者直接通过管道输送。
氢气储存:到达加氢站后,氢气会被储存在高压容器中。根据不同的需求和技术条件,这些容器可以是地面固定式或地下埋设式的。为了保证安全,储氢罐的设计和材料选择非常重要。
压缩/冷却:如果氢气不是以足够高的压力形式送达,则需要使用压缩机将其加压至适合车辆使用的水平(通常是35MPa)。此外,在某些情况下,还需要对氢气进行冷却处理,以降低其温度并提高储存效率。
加注:当有车辆需要加油时,操作员会将专用的加氢枪连接到车辆上的进气口,并启动加氢过程。在这个过程中,系统会自动调节流量和压力,确保快速而安全地完成加注。
安全监控与维护:整个加氢站运行期间都需要密切监测各项参数,如压力、温度等,以确保系统的正常运作。同时,定期检查设备状态、更换磨损部件也是必不可少的工作内容之一。
应急处理措施:鉴于氢气易燃易爆的特点,加氢站在设计之初就考虑到了各种可能发生的事故情况,并制定了相应的应急预案。这包括但不限于泄漏检测报警装置、紧急切断阀以及消防设施等。

客户原方案使用1200及本体扩展模块,替代方案为1200+MR30分布式IO,成本降幅为45%;开关量输入模块主要用于连接按钮、加压机运行及故障信号、阀门开到位及关到位信号;开关量输出主要用于控制指示灯、电磁阀开关、压缩泵启停;模拟量输入模块主要用于采集罐体压力、管道压力、压缩机出入口压力及温度、电机温度等。

氢能产业的快速发展不仅依赖于制氢技术的绿色转型与储运体系的多元化构建,更离不开加氢站等基础设施的安全高效运行。通过采用如1200+MR30分布式IO等创新技术方案,不仅显著降低了成本(达45%),还优化了氢气加注站的自动化控制流程,提升了系统的安全性和可靠性。未来,随着氢能技术的不断突破和成本的进一步降低,氢能将在能源转型中扮演更加重要的角色,为实现全球绿色低碳发展贡献力量。